房屋渗漏是客户投诉的重点,而地下室、屋面、厨房卫生间又是渗漏的重灾区,如何才能打好防水这场战役?
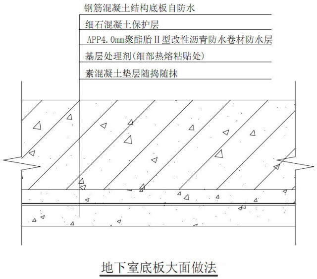
一、地下室底板防水做法示意图
1、底板变形缝防水做法
2、底板后浇带防水构造做法
3、高低跨连接处防水做法
4、桩头防水处理
采用水泥基渗透结晶型防水涂料 +改性沥青防水涂料 +卷材的复合防水做法。:
防水处理工序如下:
注意事项:
二、地下室侧墙防水做法
1.地下室底板防水交接处预留做法
2.地下室侧墙抗渗增强处理方法
3.侧壁底板防水接头做法
4.地下室侧墙地面收口做法
5.穿墙管件防水处理
6.穿墙群管的防水做法
三、屋面防水做法
1.种植屋面基本做法
2.上人屋面做法
3.出屋面管道防水做法、
四、卫生间防水构造做法



鄂公网安备 42900402000188号