一、 工程概述:
总建筑面积约 65284 平米,框架剪力墙结构,F 座:主体地上 20 层、局部 17、19 层、地下 2 层,裙房地上 3 层、地下 2 层,H 座:地上 12 层、地下 2层;凯瑞 B 座配套广场(地下车库)总建筑面积约 9008 平米,框架结构,地下 2 层。F座室内外高差1.200米,主体建筑高度为 79.20 米。H座室内外高差1.2米,主体建筑高度为48.15米。地下室防水建筑面积约11000m2。
本工程地下防水设防等级除变配电室为一级外,其余均为二级,防水混凝土的设计抗渗等级为P6. 地下室的底板为混凝土自防水+内4厚SBS 改性沥青防水卷材一道,地下室侧板为混凝土自防水+外4厚SBS改性沥青防水卷材一道,地下室顶板为混凝土自防水+3厚SBS改性沥青防水卷材两道。
二、 编制依据:
1)《施工图纸》。
2)《地下工程防水技术规范》GB50108-2008
3)《地下建筑防水构造》10J301
4)《地下防水工程质量验收规范》
三、施工方案:
本工程的地下室底板与外墙防水采用单层4mm厚SBS改性沥青防水卷材防水层热熔满铺法施工的做法。卷材搭接宽度,长边为100mm,在短边为100mm。具体施工方法如下:
(一)、主要施工工艺流程及桩头防水做法:
1、地下室底板防水施工工艺:
验收基层(找平层)→ 清扫基层、桩头 → 桩头防水→ 涂刷胶粘剂 → 铺贴单层4mm厚SBS改性沥青防水卷材 → 搭接、收头固定密封→ 检验、验收 →细石砼保护层。
2、地下室外墙防水施工工艺
验收基层(找平层)→ 清扫基层 → 阴、阳角做附加层 →涂刷胶粘剂→铺贴单层4mm厚SBS改性沥青防水卷材 →搭接、收头固定密封→ 检验、验收 →空心砖保护墙。
3、桩头及桩钢筋的防水:
桩头在施工过程中由于存在着某些原因致使桩头周围残缺程度较为严重或钢筋锚固长度不够,为此要求在做防水之前,提前进行处理某些桩头或钢筋长度问题,具体的处理方法为:如果由于桩头较低达不到标高要求的应进行补做桩头,补做桩头时将原桩头清理干净并用高标号的砼(C40细石砼)补接桩头至设计标高。对于钢筋可以采用搭接单面焊10d将钢筋补做到设计要求。桩头防水做法:在桩头及桩周边做水泥基渗透结晶型涂料防水层,上做10厚1:2聚合物水泥砂浆保护层。要求聚合物水泥砂浆在施工过程中随抹随将其压光,以提高其抗渗性。(注意的质量问题是:桩上的防水涂料与底板上的防水卷材必须要满足防水搭接要求,桩周边要用聚氨酯密封膏封闭,聚合物的配比必须符合设计规定要求。)
(二)、施工工艺材料:
1、选用材料
1.1.主体材料为:4mm厚SBS改性沥青防水卷材和水泥基渗透结晶防水材料;
1.2.辅材:配套底油。
(三)、防水卷材施工工艺要点:
1、 施工工艺流程:基层清理——→刷基层处理剂——→复杂部位增强处理——→大面积卷材铺贴——→排气压实——→卷材末端收头及封边处理——→保护层施工
a) 基层处理:
当地下水位较高时,应先做好排降水工作,将地下水位降低到防水底板下500mm,并保持到防水层施工完成周围回填土为止。铺贴防水卷材前应将基层找平层清理干净,基层表面要求平整、牢固、无空鼓阴阳角处应做成圆弧角或钝角,圆弧半径为50mm,穿过墙面、顶面的管道应作好防水措施焊止水片等措施满足设计及规范中的有关规定,基层报验监理经隐蔽验收合格后方可进行下道工序施工——防水卷材施工。
b)基层处理剂:
找平层经过清理干净后并经过验收后即可刷基层处理剂。
c)复杂部位增强:
在基层的转角、阴阳角、变形缝、后浇带位置附加一道防水卷材,施工时采用基层和卷材双面刮胶的方法进行卷材铺贴,以避免施工时卷材空鼓。
d)卷材铺贴:
卷材应先铺平面后铺立面。第一块卷材应铺贴在平面与立面相交的阴角处,平面和立面各占半幅卷材。待第一块卷材铺贴完后,根据卷材搭接宽度(长、短边均为100mm)在第一块卷材上弹出基准线,以后卷材就按此基准线铺贴。待基层处理剂干燥后,即可铺贴卷材。在平面与立面交界部位,应先铺贴平面部位的半幅卷材,然后沿阴角根部由下向上铺贴立面部位的另一半卷材。立面部分卷材甩搓在永久性保护墙上。卷材铺贴完毕后,对卷材长边和短边的搭接缝应用封边专用工具和喷灯进行封边处理。
e)找平层及保护层施工:
①地下室底板卷材防水层铺设完,报监理经检查验收合格后方可进行下道工序——砂浆找平层20mm厚1:3水泥砂浆找平层。下道工序为——防水保护层施工,为50mm厚的C20细石砼保护层,浇筑时切勿损伤防水卷材,如有损伤须及时修补,以免留下隐患。②地下室侧墙部位(永久性保护墙体)防水层表面抹20厚1:2水泥砂浆找平层加以保护。③地下室顶板部位待防水层完成后可进行下道工序——防水保护层施工,为70mm厚的C20砼保护层,浇筑时切勿损伤防水卷材,如有损伤须及时修补,以免留下隐患。细石混凝土和砂浆保护层须压实、抹平、抹光。细石混凝土和水泥砂浆保护层养护固化后,即可按设计要求绑扎钢筋、支设立面模板进行浇筑底板和墙体混凝土。
f)成品保护:防水卷材在施工过程中随时注意作到保护,防止造成卷材破裂或划伤,将施工现场的钢筋头等锐利铁器清理干净。在浇注砼过程中施工人员禁止将铁锹或刮板等直接触放在防水卷材上,防止造成卷材局部的孔洞或划伤。抹保护层沙浆时防止铁抹子划破卷材。造成渗漏水。
g)地下室砖模剪力墙平面应预留不小于250mm幅宽的接搓卷材,以便地下室外墙防水接搓使用,接搓预留的卷材应留足用量,且应用砖砌覆盖保护好。
h)地下室塔吊设备基础应先开挖,待垫层胎膜做好后施工防水层。
2、作业条件:
2.1.防水基层必须有足够的强度、无松动、无起砂缺陷。
2.2.表面必须干净,干燥其含水率应小于9%;
2.3.基层如有高低不平或凹坑较大时,应采用1:3水泥砂浆找平抹光。
2.4.基层上所有的阴阳角应做成均匀一致平整顺直光滑的R≮20mm圆弧角;
2.5.基层上如有钢筋头或对拉螺栓应在其根部剔成凹槽后割除,并用砂浆封闭密实、抹平抹光,基层上的蜂窝、麻面及孔洞用砂浆封闭密实、抹平抹光。
2.6.用铲刀将基层表面的异物砂浆疙瘩铲除,并将尘土杂物清理干净。
3、施工方法: (4mm厚SBS改性沥青防水卷材)
3.1.测试基层含水率不得超过9%,即用1m2的卷材覆盖在防水施工部位基层上,静止平放3-4小时,用手掀开后查看卷材与基层接触面有无水印,如无水印则表明基层是干燥的,满足防水层基层含水率小于9%,可以施工防水层。
3.2.基层清理:在防水施工前先将基层上各种杂物、灰砂彻底清理干净,表面的砂浆疙瘩等突起物要铲除,如有起砂掉灰或凹凸不平的要做细部处理。
3.3.涂刷底油(基层处理剂):基层清理完毕验收后,将厂家配套的底油用长把滚刷或刮板均匀涂布或涂刮在基层表面和卷材表面。
3.4.铺贴卷材附加层:在基层的阴阳角和转角及露出基层的管根部位铺贴粘接卷材附加层。
3.5.大面积铺贴卷材:
3.5.1.弹线:依据卷材的幅宽,留出搭接宽度,弹出基准线。
3.5.2.“放毡”:将整捆的卷材打开,沿已经弹好的基准线将卷材拉直放平与基准线一致。
3.5.3.热熔铺贴卷材:
1、将“放毡” 后的卷材从两端卷起,用喷灯在卷材底面和基层表面均匀烘烤,待卷材表面PE膜熔融后,将卷材与基层粘接,并及时排气,使其与基层表面粘接牢固。注意:1、铺贴卷材时不得有皱折、要齐线铺贴。
2、铺贴卷材时,应注意相邻两幅卷材搭接的短边应错开不小于300mm,不能在同一条直线上。
3.5.4.封边处理:
待大面积防水卷材施工完毕后,使用喷灯和专用封边工具封闭卷材搭接边,卷材搭接缝封闭要宽窄均匀一致、封闭严密牢固、美观统一。
4.2、桩头水泥基渗透结晶防水层施工方法:
4.2.1、桩头平面与周围采用涂刷一遍水泥基渗透结晶防水涂料防水层。
4.2.2、水泥基渗透结晶防水层涂膜施工时,应按照粉料:水 =5:3的比例,把水泥基渗透结晶粉料倒入搅拌桶,适量加入中性水,用搅拌器搅拌均匀后,用专用尼龙刷涂刷在桩头基层表面,涂刷时要均匀一致,保证不漏刷或漏刮。料应随配随用,不能一次性配料过多,避免材料浪费。防水层施工时要注意成品保护,不能污染其它工作面或成品。穿墙管根基层应处理坚固、密实。以保证桩头周围等薄弱部位水泥基渗透结晶防水层到位,不产生渗漏水现象。
四、成品保护及注意事项:
(1)施工现场严禁穿硬底、高根或钉子鞋上岗,以免破坏已施工完的防水层。
(2)如发现卷材表面已经被破坏,要及时进行修补
(3)施工完的防水层要及时采取保护措施,严禁在防水层上堆放物品或作为施工运输车道。
(4)随时观察撕开的隔离纸的完整性,发现撕裂、断裂应立即停止贴铺,将撕裂的隔离纸残余清理干净后,再继续贴铺。
(5)立墙贴铺可依照上述方法自上而下一次贴铺完成。
(6)卷材搭接。大面积的卷材排气、压实后,再用小压辊对搭接部位进行碾压,从搭接内边缘向外进行滚压,压出空气,贴铺牢固。搭接时应对准搭接控制线进行,通常要求搭接宽度为100mm。
(7)卷材搭接密封薄弱的部位。如卷材长短边搭接、卷材收头、管道包裹及异型部位等,应采用密封膏密封。
五、工程验收:
(1)在施工过程中按规定做好分项工程交接检查,接受监理单位的验收,并在工程隐蔽之前接受建设、总包、监理之方的验收,未经检查,不得进行下一道工序的施工。
(2)卷材的搭接必须符合国家标准,封闭严密,粘接牢固。(短边搭接不少于100mm,长边不应小于100mm)。
六、质量标准:
7.1涂膜、卷材复合防水
7.1.1保证项目
1、聚合物水泥基涂料的配合比、自粘性改性沥青卷材的主要配套材料及技术性能等,必须符合设计要求和有关标准的规定,产品应附有出厂合格证、防水材料质量认证,现场取样试验,未经认证的或复试不合格的防水材料不得使用。
2、防水层及其细部等做法,必须符合设计要求和施工规范的规定,并不得有渗漏水现象。
7.1.2基本项目
1、防水层的基层应牢固、表面洁净、平整,阴、阳角处呈圆弧形或钝角。
2、附 加 层 的 涂 刷 方 法、搭 接、收 头 应 符 合 规定,并应粘结牢固、紧密,接缝封严,无损伤、空鼓等缺陷。
3、涂膜防水层应涂刷均匀,保护层和卷材防水层粘结牢固,不得有损伤、厚度不匀等缺陷。
7.2细部构造
7.2.1主控项目细部构造所用的止水钢板或遇水膨胀止水条及接缝密封材料必须符合设计要求。
7.2.2一般项目接缝处的混凝土表面应密实、洁净、干燥,密封材料应嵌填严密,粘结牢固,不得有开列、鼓泡和下塌的现象。
7.3检验批的划分
1、基础底板防水工程检验批按照施工流水段进行划分。
2、外墙立面防水层检验批分层分段划分。
7.4应注意的质量问题
1、空鼓:防水层空鼓一般发生在找基层与涂膜防水层之间和接缝处,原因是基层含水过大,使涂膜空鼓,形成气泡。施工中应控制含水率,并认真操作。
2、渗漏:防水层渗漏水,多发生在穿过楼板的管根及阴阳角等部位,原因是管根等部件松动、粘结不牢、涂刷不严密或防水层局部损坏,部件接槎封口处搭接长度不够所造成。在涂膜防水层施工前,应认真检查并加以修补。
3、皱折:认真检查,在所有转角处均铺贴附加层,使卷材在转角处圆滑过渡。在平面铺贴时,在铺贴部位将卷材预放23m,摆正方向,在中间固定,从中间向两边用压辊压实卷材,使之粘接牢固,表面平整,无皱折现象。
4、翘边:主要出现在卷材的接缝处,施工中要注意控制搭接缝的宽度,相邻短边 搭接缝应错开1/3,搭接缝用密封胶均匀、密实地密封
八、质量保证措施:
1、 进入现场的材料必须证件齐全,并严格实行抽样检测,严禁不合格的产品进入施工现场。
2、 涂布在基层表面处理剂必须均匀一致。
3、 卷材的粘接应牢固、无损伤、滑移、翘边、空鼓、皱褶等缺陷。,
4、 所有操作人员必须持证上岗,应选择有多年防水施工经验的工人进行现场施工。
5、 防水施工管理人员必须在现场跟班作业,如有问题及时解决。
九、文明施工及安全保护措施:
1、 文明施工:
(1)防水施工环境属于经理部管辖范围,因此防水操作人员必须遵守经理的各项规章制度,必须服从上级指挥。
(2)施工人员必须注意卫生,严禁随地大小便,材料不准乱放。完工后现场清理干净,做到“工完场清”。
(3)防水施工人员应珍惜其他兄弟队伍的劳动成果,施工时不要污染其工作面。
2、 安全保护措施:
(1) 有专职的安全员负责安全工作;
(2) 材料放置应按指定地点有序存放,且应远离火源;
(3) 施工人员进入施工现场必须戴安全帽;
(4) 施工人员进入施工现场严禁烟火;
(5) 施工人员喝酒后严禁进入施工现场;
(6) 施工人员进入施工现场严禁擅动工地任何电气设置及其它物品。
3、防雨措施:
设专人掌握气象信息,及时作出大风、大雨预报,采取相应技术措施,防止发生事故;禁止在暴雨等恶劣的气候条件下进行室外施工。
4、防火措施:
(1)施工现场必须配备灭火器材;
十:附 录:
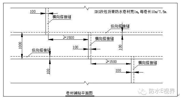
1、铺贴卷材采用搭接法,同一层相邻两幅卷材的横向接缝,应彼此错开1500mm以上,避免接缝部位集中。上下层及相邻两幅卷材的搭接缝要错开,防水卷材的短边和长边(横缝和纵缝),其搭接宽度均不应小于100mm。立面与平面的转角处、卷材的接缝应留在结构板的平面上,距离立面应不小于600mm。如下示意图所示:
2、搭接缝
地下室防水施工时,SBS卷材长短边搭接宽度均为100mm,搭接缝采用热熔融合。
SBS改性沥青防水卷材的搭接边处理在工程中是极为重要的一环,在施工中应严格按照国标要求“接缝部位必须溢出沥青热熔胶,并形成匀质的沥青条”为控制关键,溢出沥青条约2mm均匀沥青条,如下示意图所示:
3、附加层的设置
在平立面交接处、转折处、阴阳角、管根等部应设置卷材附加增强层,采用与大面卷材同材质的专用附加层卷材宽度500mm。特殊部位附加卷材则需现场按要求进行裁剪。
4、细部节点防水做法
细部节点(平立面交接处、穿墙管等)是防水工程的薄弱环节,必须有针对性的进行合理、安全、科学的设计并要求高质量的施工操作,才能保证地下室防水系统的整体性及密闭不透水性。
4.1底板与外墙交接处防水做法:
平立面交接处、转折处附加专用附加层卷材,底板卷材与砖砌永久保护墙之间刷油满粘施工,卷材收口部位采用砖体进行临时固定,待立墙施工时拆除临时保护,与底板卷材接茬宽度不小于100mm,详见下图所示:
4.2外墙卷材收口做法
外墙立面卷材的收口采用固定压条、射钉固定、并用沥青基密封膏密封,在保证防水系统的安全性能的前提下,对延长防水系统的安全使用寿命起到极大的帮助。柔性防水层收头如下图所示:
卷材防水系统的终止收口采用特制收口压条,其作用有二,一为取得永久性密封的收口,二为提高与外装饰材料的过渡衔接。
4.3穿墙管防水做法

4.4后浇带做法
地下室埋深较大,建议采用下列具有允许提前停止降水的做法。
4.5集水坑防水做法
本工程地下室防水工程中的集水坑,采用下面的方法进行施工。
4.6电梯井/集水坑防水做法
在电梯井及集水坑的阴阳角转折处设置与大面同材质的3mm厚SBS卷材作附加增强层,附加层宽度500mm,如下示意图所示:
4.7三维阴阳角处防水做法
阳角(此处的阴阳角专指三维交叉部位)在防水层施工中,数量诸多,也是防水层薄弱的部位之一,该处的通常做法是由施工作业人员按照下图方式现场裁剪和安装:



鄂公网安备 42900402000188号